Slat Top 770T Radius Chain
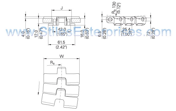
770T is a tabbed standard duty tight radius and straight running plastic chain. Top plate thickness 4.0mm. Applications include general conveyance, packaging and empty container handling in which the layout
requires a tight turn. The smaller 1" (25.4 mm) pitch enables the use of shorter dead plates for product transfer.
Use 770 series for side transfer with 820 series straight chains.  |
Applications:
- Bottling Lines
- Packaging Lines
Pitch:
Plate Thickness:
Description
Pin Material:
Standard Packaging:
Related Products
|